

| Model | DTXA-10N |
| Cấp chính xác | +/-0.5%F.S.+/-1digit |
| Đơn vị đo lường | N-m, N-cm, kgf-m, kgf-cm, lbf-in, ozf-in (có thể chuyển đổi) |
| Hiển thị | 4 chữ số |
| Hiển thị cập nhật | 16 lần/giây |
| Tốc độ lấy mẫu | Tối đa 2000 dữ liệu/giây |
| Pin | Xấp xỉ 6,5 giờ (sạc đầy 2 giờ) |
| Xếp hạng quá tải an toàn | Xấp xỉ 200% |
| Môi trường hoạt động | Nhiệt độ: 0 đến 40 độ C Độ ẩm: 20 đến 80%RH |
| Chức năng Máy kiểm tra mô-men xoắn DTXA-10N IMADA | Hiển thị tùy chỉnh (đầu trang và chân trang) / Giữ đỉnh (Theo chiều kim đồng hồ và ngược chiều kim đồng hồ) Bộ nhớ trong (1000 dữ liệu)) / Bộ so sánh (Đánh giá OK hoặc NG) Màn hình đảo ngược / Đảo dấu / Bộ hẹn giờ xóa số 0 / Cảnh báo +NG Bộ hẹn giờ tắt (Tự động tắt nguồn) / Dumping / Hiển thị thời gian / Khóa cài đặt Đỉnh 1 và 2 Phát hiện góc tại giá trị mô-men xoắn cực đại (*4) Đặt lại góc về 0 tại mô-men xoắn đã chọn (*4) |
| Tín hiệu ra | USB, RS232C, đầu ra analog ±2VDC (D/A), Bộ so sánh 3 bước (-NG/OK/+NG), báo động quá tải Bộ so sánh phụ 2 bước (đầu ra phán đoán lớn hoặc nhỏ), ổ đĩa flash USB, góc (độ dịch chuyển) |
| Cảnh báo quá tải: | Xấp xỉ 110% F.S. (Thông báo cảnh báo và báo động) |
| Điểm tiếp xúc bên ngoài | SEND (điểm tiếp xúc giữ), Đặt lại về 0, Cài đặt BẬT/TẮT đỉnh |
| Trọng lượng | Xấp xỉ 3,0kg (không bao gồm bàn), Xấp xỉ 4,5kg (bao gồm bàn tiêu chuẩn và chốt) |
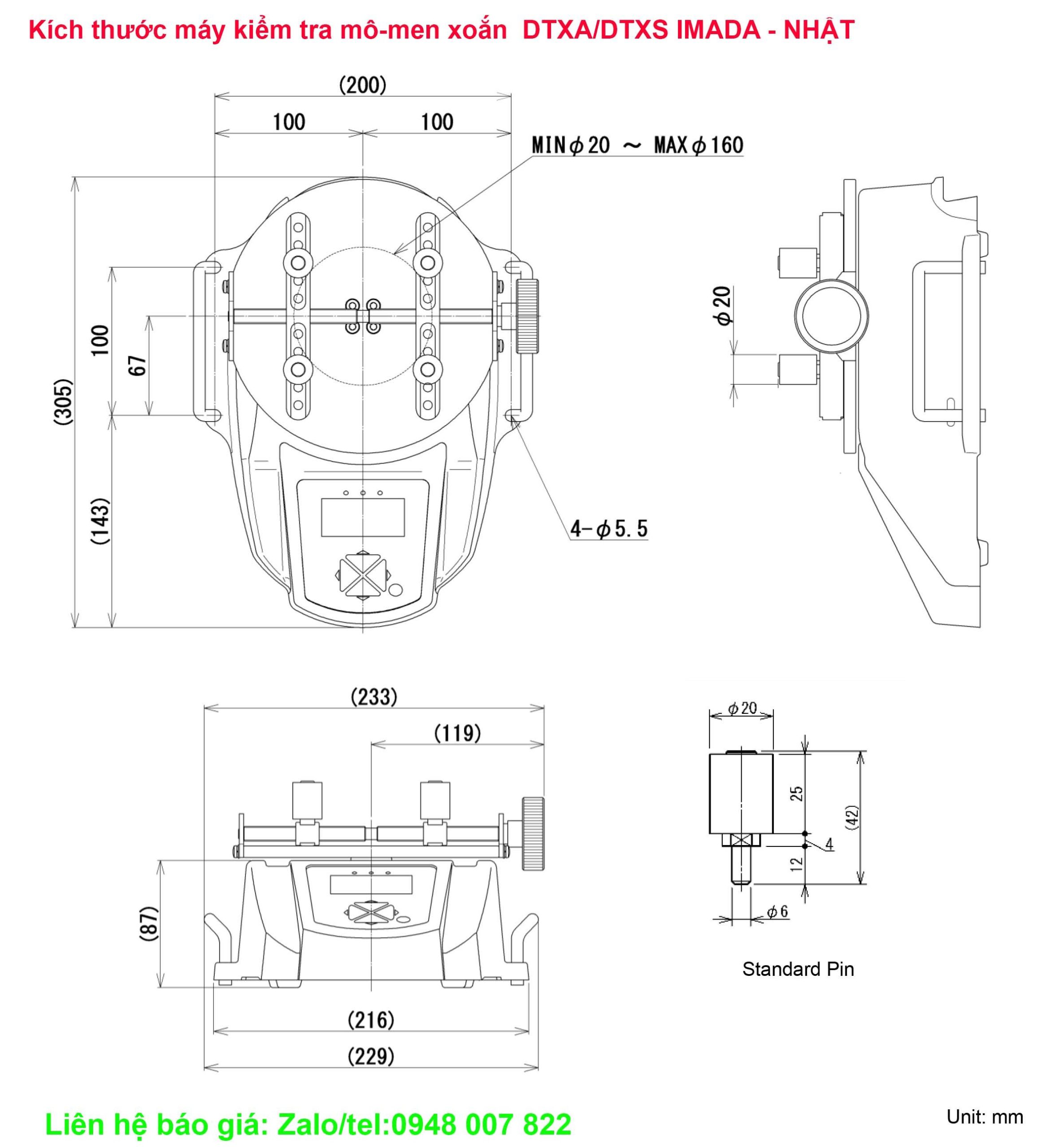
| Kích thước | Xem bên dưới |
| Phụ kiện Máy kiểm tra mô-men xoắn DTXA-10N IMADA | Bộ đổi nguồn AC, Giấy chứng nhận kiểm định, Trình điều khiển CD (phần mềm ghi dữ liệu), Cáp USB, Hộp đựng, Cờ lê chữ L, Bàn chuẩn (chỉ dành cho DTXS/A-2/5/10N), Chốt chuẩn (chỉ dành cho DTXS/A-2/5/10N) Bộ chuyển đổi ổ đĩa flash USB |


Máy kiểm tra mô-men xoắn DTXA-5N,DTXA-2N IMADA; Máy kiểm tra mô-men xoắn DTXS-2N, DTXS-5N IMADA;
Máy kiểm tra mô-men xoắn DTXA-10N IMADA
Mọi thông tin xin vui lòng liên hệ: Zalo/tel: 0948 007 822










